42923金牛版官网

送丝厚壁管焊系统
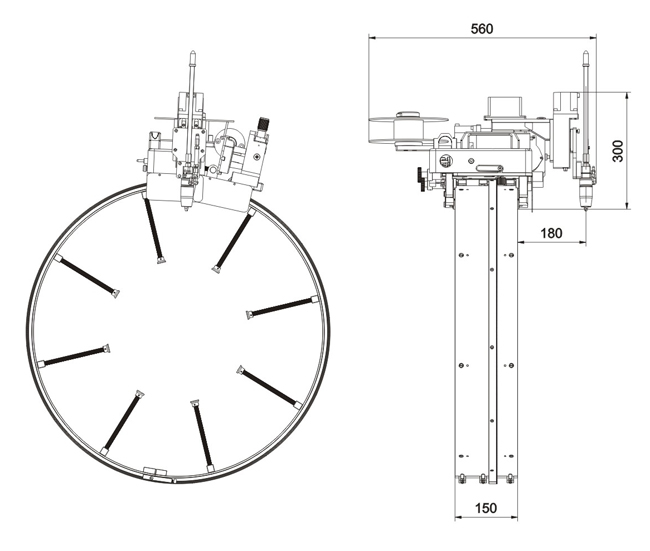
MIGTRACK60焊接小车系统

销售热线: 0512-57328118

产品概述

   该系统是专为超大管径的管管MIG焊接而设计的专用小车 ,需选配响应的齿圈可对大于φ300mm的管子举行焊接 ,可以实现打底焊接、填充焊接、盖面焊接。专配为管道焊接设计的电源 ,特殊适合工程液化气管道装置 ,石油管道装置以及工厂预制。

性能特点

42923金牛版·(中国)官方网站  齿轮传动模式、旋转速率稳固可靠;
42923金牛版·(中国)官方网站  奇异的MAG焊双向打底焊接工艺 ,较洪流平知足重大多变的工况条件;
42923金牛版·(中国)官方网站  接纳双水冷冷却方法 ,便于大管径、大壁厚填充盖面焊接工艺使用;
42923金牛版·(中国)官方网站  一体式送丝系统结构设计 ,包管送丝平稳; 
42923金牛版·(中国)官方网站  可选配差别的导圈 ,完成州差别管径的工件焊接;
 

手艺参数

管子外径(mm)

300-1500(12″~60″)

焊炬旋转速率mm/min

40~500

横摆宽度mm

50

弧长高度mm

50

焊炬冷却方法

循环水冷

讨论形式

直管对接、管弯头对接

 42923金牛版·(中国)官方网站42923金牛版·(中国)官方网站手艺参数


相关标签:管板焊接系统

网站地图